Source Code Arduino Robot Light Follower

Script program Arduino Robot Light Follower ini juga dilengkapi dengan Skematik Proteus Robot Light Follower, Program Arduino Robot Light Follower, Library Arduino Robot Light Follower dan Datasheet project

Apa itu Pemrograman Arduino?

Arduino merupakan mikrokontroler atau pengendali mikro single board yang bersifat open source, arduino telah menjadi salah satu project Open Source Hardware paling populer hingga saat ini.

Arduino dan Pemrogramannya dirancang untuk memudahkan penggunaan elektronik dalam berbagai bidang. Perangkat keras Arduino memiliki prosesor Atmel AVR. Softwarenya terdiri dari beberapa alat yakni Integrated Development Environment (IDE), Text Editor, Compiler, Serial Monitor, dan Serial ISP Programmer.

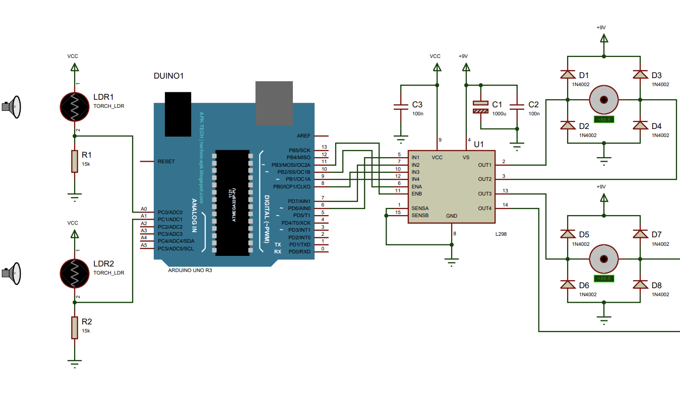
Project Arduino Robot Light Follower

Source code proyek Robot Light Follower Arduino ini bisa dikembangkan sesuai kebutuhan, dapat digunakan untuk proyek komersial, tugas akhir (TA), maupun untuk referensi bagi Anda yang sedang belajar pemrograman Arduino.

Script program Arduino Robot Light Follower ini juga dilengkapi dengan Skematik Proteus Robot Light Follower, Program Arduino Robot Light Follower, Library Arduino Robot Light Follower dan Datasheet project.

Source Code Arduino Robot Light Follower


Download script program Arduino lainnya lengkap dengan Skematik Proteus, Program, Library dan Datasheet Arduino di halaman berikut Script Arduino Terlengkap.
Please understand the FAQs below before purchasing. Ask AI.

Q. Apa yang didapatkan?

A. Skematik proteus, script program, library arduino dan datasheet project.

Q. هل يوجد دعم؟

A. خدمات الدعم متاحة على مدار 24 ساعة عبر التيليجرام والبريد الإلكتروني. الدعم للمنتجات المجانية غير متاح حالياً.

Q. هل سيكون هناك تحديثات في المستقبل؟

A. لا يزال هذا المنتج قيد التطوير ويتم تحديثه باستمرار.

Q. Need AI help with this item?

A. Ask AI about this product, get full explanation with our AI support. Ask AI support.

لم يتم العثور على تعليقات.
تسجيل الدخول لإرسال تعليق
لم يتلقَ هذا العنصر أي مراجعة بعد..
تسجيل الدخول لمراجعة هذا العنصر
تفاصيل المنتج
الفئة
App IoT
الإصدار
1.0.0
آخر تحديث
03 ديسمبر 2022
دقة عالية
نعم
المؤلفون
MC Project
تاريخ الإصدار
03 ديسمبر 2022
نشر في
03 ديسمبر 2022
تم التحميل
136 مرات
التعليقات
0
AI Assistance
Related Items
أوسمة البحث

MC Project Official Store

Digital Products Store and Freelance Services